English 中文版
    National Hotline

Products

    Your position:Home > Products > Vacuum Field
   
2X-4C 2X-8D 2X-15A
 
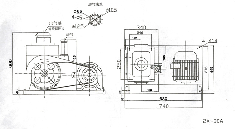
2X-30A 2X-70C
2X-100
2X-100T 2XZ 2XZ-B
 

 

 

 

 

 

 
Applications & Features:
1.Starting up directly from Atmosphere Pressure for Evacuation.
2.Used either solely as Rough Pumps, or in combination with other high vacuum pumps as Backing Pumps.
3.They find wide application in the fields of metallurg, chemical, light industry, medical, electronics and LSI industries.
4.They can not be used for evacuating the oxygenic, poisonous and explosive gasses and gasses with can react with pump oil easily. Neither can they be used as compressor and transmission pump.
5.Such series XD of progressional vacuum pump is one of the indispensably equipments of light industry, food industry, delicate chemical and products of draught plastics.

Technology parameters
Model 2X-2C 2X-4C 2X-8D 2X-8A 2X-15A 2X-30A 2X-70C 2X-100T 
Pumping Speed(L/s) 2 4 8 8 15 30 70 100  
Ultimate pressure
(without 9as ballast)
Partial pressure(Pa) 6 10-2
Total pressure
(Pa)
2.5
Motor power
(kw)
0.37 0.55 1.1 1.1 2.2 3 5.5 7.5
Inlet dia.(mm) 25 25 40 40 40 65 80 95
Rotation speed
of main shaft(rpm)
700 700 410 320 320 450 420 550
Cooling type Air-cooling Water-cooling
Prev: Roots vacuum pump series Next: VARIABLE PITCH SCREW DRY VACUUM PUMPS
More about us
All rights reserved: Zhejiang Xin Jiali Vacuum Equipment Co.,Ltd. Technical support:zowee.cn